Most motor Hall sensors have an open collector output, which means that by default, they do not output any voltage. In contrast, when the detected magnetic field exceeds a threshold, the output transistor's base-emitter junction is forward-biased, and the transistor turns ON. By saying that the transistor is ON, we mean that the emitter-collector junction becomes a low-impedance path and operates as a closed switch. If no potential is applied between the collector and emitter, no voltage will be measured.

To utilize the open collector outpout, a pullup resistor should be connected from the transitor's collector to a positive voltage. That way, when the transistor is OFF, which means that it acts as an open switch, the positive voltage will be measured in the sensor's output.

On the other hand, when the transistor is ON, the measured output will be connected to ground, resulting in a zero voltage reading. This is because the emitter-collector junction becomes a low-impedance path to ground, effectively connecting the output to ground.

It's important to note that the logic is inverted. When a magnetic field is present, the sensor's output will be low, and vice versa.
| Motor Pole Detected | HALL Output |
| Yes | Low |
| No | High |
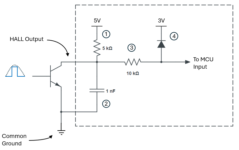
The motor drive's HALL inputs utilize a circuit whose simplified version is presented in the next figure:

The component's operation is described below:
1: Provides the necessary voltage to bias the transistor
2: Filters the input signal to reduce high frequency electrical noise
3: Current limiting resistor
4: Clips the input voltage to 3 V, to protect the MCU input.