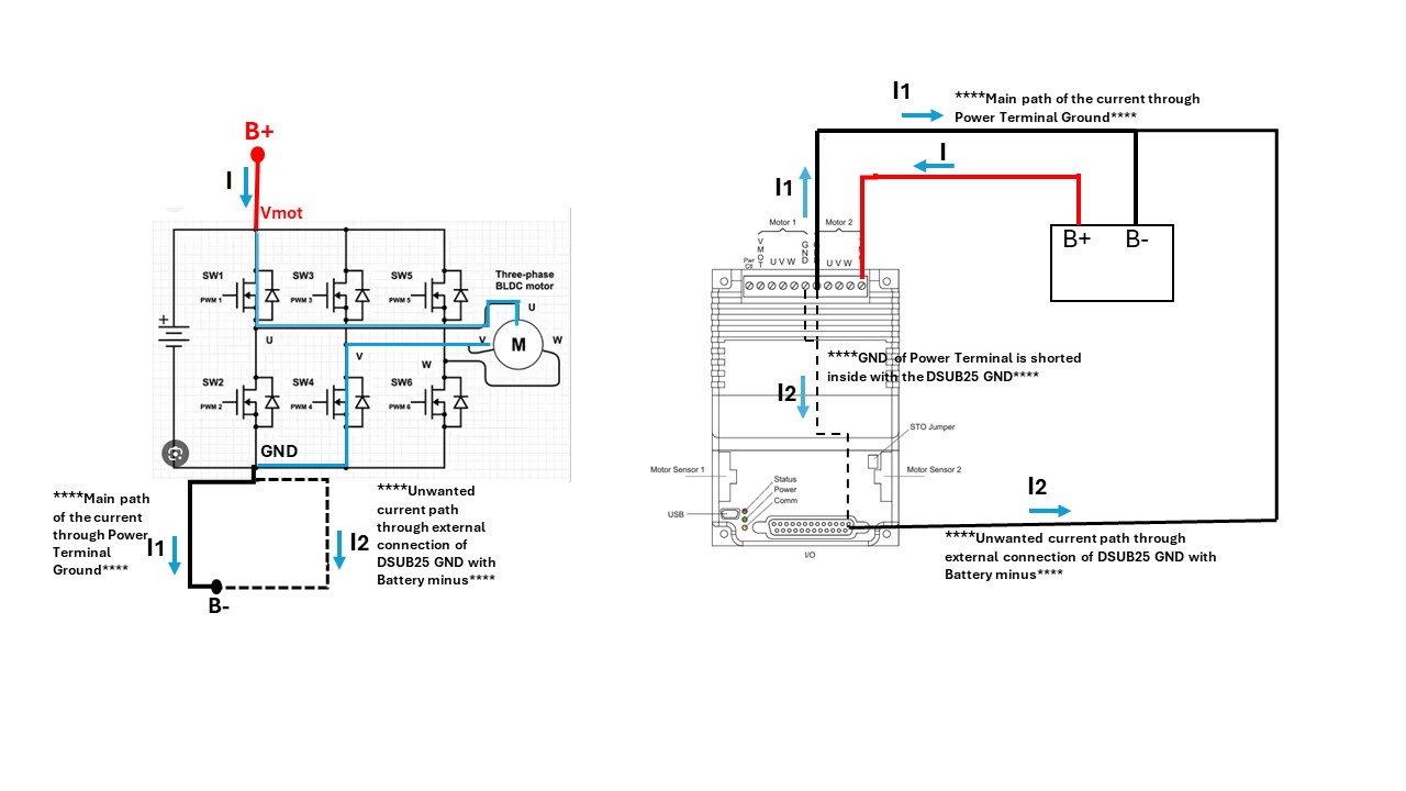
One often mistake in the wiring that can lead to a permanent damage of the controller is the creation of a Ground loop through the external connection of the GND pin with the minus of the main power supply.
What is a Ground Loop?
A ground loop occurs when there is more than one ground connection path between two pieces of equipment or components, creating a loop. This can lead to differences in ground potential between the connections, which can cause noise, interference, and potentially damaging current flow through unintended paths.
Common Ground Loop Issues in Roboteq Products
One of the most common mistakes leading to permanent damage of the controller is creating a ground loop by externally connecting the GND pin of the DSUB25 connector with the minus (-) terminal of the main power supply. This creates a second ground path, allowing current to flow through two different paths to reach the ground. As a result, sensitive components within the controller’s internal circuits may get damaged.
Additional Ground Loop Risks
Ground loops can also occur if there is any short between the Power Terminal GND and the logical ground of the DSUB25 or Molex connectors. Such shorts create undesirable current paths that can potentially damage the MCU or other sensitive internal components.
Preventative Measures
Avoid External Shorts: Ensure that the GND pin of the DSUB25 connector is not externally connected to the minus (-) terminal of any power supply.
Check Connections: Regularly inspect connections to confirm that there are no accidental shorts between the power terminal GND and the logical ground.
By understanding and preventing ground loops, you can protect your Roboteq controller and ensure its longevity and reliable performance.
