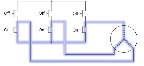
There are various methods that the controller uses to brake the motor. During normal driving, the controller stops the motor by reducing the motor voltage and following the default deceleration profile. In the event of some faults, the controller may completely disable the power stage and allow the motor to freewheel until the frictional forces bring it to a stop. One braking technique that we will discuss here is the dynamic braking method. In this implementation, the controller shorts the motor phases using its bottom MOSFETs to bring the motor to a stop. The motor current flows through the windings of the shorted phases, generating a braking torque that gradually slows down the motor

image 1: Power stage operation during dynamic braking
This method is utilized in implementations involving limit switches and stall error detection. When either of these alarms is triggered, the controller promptly stops the motor by shorting its phases. The same result occurs if the operating mode is changed to Open Loop while the motor is running, as idle operation in Open Loop is handled in the same manner. Since the motor current is not controlled during dynamic braking, it is necessary to calculate its maximum value and ensure that it remains below the peak current of the controller
Next, the key concepts of BLDC motors that contribute to the development of the braking torque will be analyzed, and a formula to calculate the maximum current during dynamic braking (referred to as motor short circuit current) will be provided.
BLDC motor model
A BLDC motor can be modeled as a series combination of resistance and inductance, accompanied by two voltage sources. One voltage source provides power to the circuit, while the other represents the back EMF voltage generated in the motor windings during motor operation. The current flows from the higher potential voltage source to the lower potential one. The voltage supplied to the circuit is sourced from the battery and is regulated by the motor controller using pulse width modulation (PWM). On the other hand, the back EMF voltage is a result of the motor's rotation and is directly proportional to the motor speed. If the controller supplies a higher voltage than the back EMF, current flows into the motor. Conversely, if the back EMF voltage is higher, the current returns to the battery.

image 2: Motor voltoage and back EMF voltage illustration
In our case, where the motor phases are shorted, only the motor's back EMF voltage powers the circuit. With all the top MOSFETs open and no path to the battery, the current circulates through the motor windings, and the regenerative energy is dissipated as heat until the motor comes to a stop.

image 3: Back EMF voltage and motor current during dynamic breaking
Back EMF voltage and motor Impedance
The back EMF voltage is generated through the interaction between the permanent magnets of the motor and the stator coils, and it is directly proportional to the motor speed. Higher motor speeds result in an increased back EMF voltage. It's important to note that the back EMF voltage is not a DC voltage but rather can have a trapezoidal or sinusoidal waveform, depending on the type of the motor (BLDC or BLAC).

image 4: Sinusoidal back EMF voltage
Since the back emf of BLDC motors is not a DC voltage it will affect the impedance of the motor. The impedance of the motor consists of two components, one resistive (R) and one inductive (L).

image 5: Brushless DC motor model
The resistive component presents a resistance that remains unaffected by the alternating voltage and maintains a constant value during the motor's operation. The inductive component of the motor though exhibits a property that varies depending on the frequency of the supplied voltage. This property is known as the inductive reactance of the motor windings. Inductive reactance can be calculated by multiplying the angular frequency of the motor's back EMF (ω) by the inductance (L) of the inductor. Since the reactance of the motor is proportional to the frequency of the back EMF voltage, it increases as the motor speed increases.

image 6: Voltage frequency and motor reactance illustration
Both resistance and reactance of the motor determine its total impedence. The motor impedence can be calculated by adding the two vectors.

image 7: Motor impedance
As can be seen from the equation or by observing the visual representation, the motor impedance also increases with motor speed.
Motor current
The motor current during dynamic braking will be equal to the bak EMF voltage of the motor divided by the stators impedence.

From the equation, we can deduce the following two concepts:
- As the motor speed increases, the back EMF voltage will also increase, which tends to increase the motor current
- Simultaneously, the motor impedance will increase, which tends to decrease the current
These two factors contribute to an initial increase in the motor current as the motor speed rises. However, as the speed continues to increase, the motor impedance counteracts the effect, resulting in the current gradually stabilizing at a certain value.

image 8: Motor current vs motor speed during dynamic braking
To ensure the safety of the controller, it is necessary to calculate the short circuit current at the maximum speed at which the motor will operate
Motor current calculations
As mentioned previously, the motor current during dynamic braking is equal to the back EMF voltage divided by the motor impedance

The motor back EMF is proportional to the motor speed, and it can be calculated by multiplying the motor speed by the motor's back EMF constant (Ke). It is worth noting that the back EMF constant is sometimes expressed in KV/RPM and other times in KV*s/rad. Therefore, the motor speed must be converted to RPM or rad/s accordingly.

The motor impedance, as mentioned, is equal to the sum of the impedance and resistance vectors

Finally, the angular frequency of the back EMF voltage (ω) can be calculated by converting the motor speed from RPM (rounds per minute) to rad/s (radians per second) and multiplying it by the number of motor pole pairs

The motor's back EMF (ke), motor resistance (R), motor inductance (L), and the number of pole pairs (here referred to as pp) can be found on the motor datasheet.
The only input to be added by the user in the formula is the Speed parameter, which represents the maximum speed at which the motor is expected to run when dynamic braking occurs.
After calculating the current, it is important to confirm that it is below the peak current of the controller to ensure a safe braking operation