Note: The Guide can be downloaded in PDF format at the end of the article.
Disclaimer:
This quick startup guide is provided as a complementary resource to the official motor drive manual and datasheets. It is not intended to be the sole source of information for proper motor drive configuration and operation. Incorrect configuration or software bugs may cause unintended behavior, including uncontrolled motor operation or runaway. Users must always conduct tests cautiously and ensure they have a reliable method to safely stop the system in such scenarios. Roboteq, the author, and related parties are not liable for any hardware damage, personal injury, or other consequences arising from the use or misuse of the information in this guide.
Safety Symbols Explanation:

Table of Contents
1. How to Read This Guide
- This guide is part of a series of documents that must be followed sequentially to configure and test a BLDC motor. The process begins with the Open Loop configuration and continues through the sequence of documents until reaching the final target operating mode.
- The Open Loop mode guides are organized based on the sensors used (e.g., Hall, Hall & Encoder, Sin/Cos, etc.).
- For example, configuring a higher-level operating mode, such as Count Position with Hall sensors, requires completing the configuration and testing of lower-level modes, including Open Loop with Hall sensors, FOC Torque and FOC Speed.

2. Theory
Field Oriented Control
Below are some key points concerning the commutation of a Brushless DC (BLDC) motor:
- BLDC motors use permanent magnets in the rotor
- A three-phase voltage applied to the stator windings creates a rotating magnetic field that pulls the rotor and produces motion
- For SPM (Surface Permanent Magnet) motors, optimal torque is achieved when the stator’s magnetic field leads the rotor’s magnetic field by 90 electrical degrees. This is why BLDC motors typically require sensors to determine the rotor’s position and properly align the magnetic fields.
- Motor commutation is handled by a control algorithm called Field Oriented Control (FOC).
- The same sensor used to commute the motor can also be used for feedback
- Although the same sensor may be used, commutation and control are distinct functions managed by the motor drive.

Field Oriented Control (FOC) transforms the angle difference between the rotor and stator magnetic fields into two current vectors by applying Clarke and Park equations: Id (Flux amps) and Iq (Torque amps).
Field Oriented Control (FOC) transforms the angle difference between the rotor and stator magnetic fields into two current vectors by applying Clarke and Park equations: Id (Flux amps) and Iq (Torque amps).

- These vectors allow direct control of the magnetic field angle by adjusting the Id and Iq currents
- Iq current is the component providing torque while Id controls the rotor flux
- In Open Loop mode (SPM motors), optimal torque is achieved by minimizing the Id current while Iq current results from the applied voltage command and the load.

- Id and Iq currents are regulated using two PI (Proportional-Integral) control loops
- The PI gains of these control loops are tuned based on the motor’s Resistance (R) and Inductance (L) parameters using the zero-pole cancellation method
- The RL parameters can be obtained from the motor datasheet or by using the motor characterization tool of the drive
- The user only needs to select the bandwidth of the FOC loop, which determines its responsiveness.

Resolver
Most RoboteQ BLDC Motor Controllers support Resolver Sensors (Check Datasheets for Compatibility)
- Resolvers are absolute position sensors consisting of three sets of coils: one primary coil, which is supplied with a sinusoidal voltage by the motor drive, and two secondary coils, designated as the sine and cosine outputs, placed 90 degrees apart.
- The primary sinusoidal voltage induces voltages in the sine and cosine coils. As the rotor rotates, the amplitude of the induced voltages changes based on the rotor’s position.
- The minimum and maximum values of the modulated voltages form sine and cosine signals, which the motor drive uses to determine the absolute position of the rotor.


Resolvers require a one-time setup and calibration process. During this process, the drive normalizes the sin/cos signals, which may vary in amplitude, and relates them to the zero point of the stator’s electrical field.

The sensor angle is divided into 511 segments, corresponding to the sensor's electrical degrees. This resolution is also used for positioning or speed measurement. When a resolver sensor is used, the position counter will register 511 counts per rotor rotation.

Compatibility
- The resolver’s excitation input is a coil, which exhibits different impedance values depending on the supplied frequency.
- The motor drive outputs a sinusoidal signal at a frequency of approximately 8 kHz.
- Resolver datasheets typically specify the sensor's impedance around that frequency.
- This impedance is important to ensure that the current consumption of the resolver does not exceed the internal op amp's current capacity.
- Motor drive datasheets list the minimum supported impedance at 8 kHz. If the sensor's impedance is lower than this value, the sensor cannot be used.
- If the sensor's datasheet provides the real and imaginary components of the impedance instead of the absolute value, the absolute value can be calculated as follows:



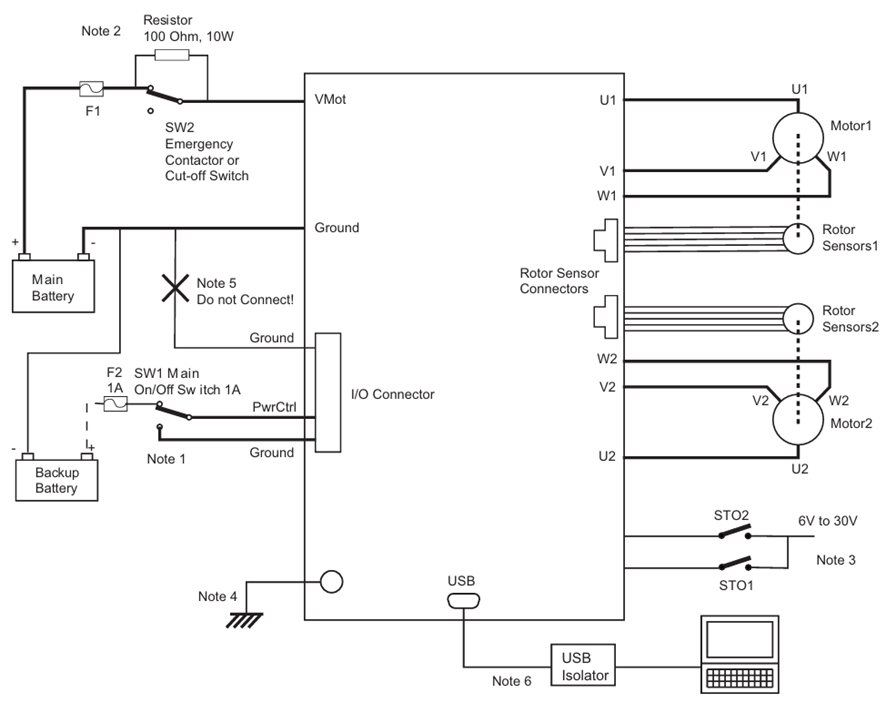
3. Hardware Connections
- Vmot is the connector for the voltage supplied to the motor and can operate within a range of 14 to 60 V.
- The Pwr Ctrl supply is optional and can be used to keep the drive operational in case of main battery disconnection. However, Pwr Ctrl must be connected to the battery’s negative terminal to allow the drive to shut down properly.
- The motor should be connected to the UVW power connectors.


In most motor drives the Resolver sensors are connected to the motor drive’s I/O connector.
- Refer to each motor drive’s datasheet for the specific pinout information
- The resolver sensor uses six wires: three for the sine, cosine, and excitation positive signals, and three for the negative signals, which are connected to the drive’s ground.
- The sensor does not require any additional power supply. The excitation voltage, fed to the resolver input, is induced in the sine and cosine coils, which are then read by the drive.


4. Required Parameters List
To complete the configuration sequence, ensure you have the following specifications readily available:

5. Configuration Steps
1. Configure the number of "Pole Pairs"
Pole pairs parameter is essential for the sinusoidal commutation and for the speed calculation. Pole pairs is the number of motor poles divided by 2.

2. Configure the switching mode to "Sinusoidal"
Both trapezoidal and sinusoidal commutation are supported by Roboteq drives. Sinusoidal mode results in quieter motor operation with reduced harmonics and current ripple, making it the preferred choice.

3. Set the Reference Seek Power to the rated current of the motor
The reference seek power is the current that will be provided to the motor during the motor/sensor calibration process.


4. Configure the Sinusoidal angle sensor to Resolver
This sensor is used to determine the rotor's angle. Knowing the exact rotor angle at all times is essential for proper commutation.

5. Configure the Resolver Sensor Poles
Resolvers offer the ability to have multiple turns in one rotation which further increases the resolution of the sensor. This parameter can be obtained from the Resolver’s datasheet. Make sure the SinCos/SSI Sensor Poles is configured correctly as it is an essential parameter for the commutation of the motor. Leave the default value (1) if this parameter is not included in the datasheet.

6. Configure the FOC Flux and Torque gains
These are the gain values for the two PI controllers in the FOC loop, which regulate the torque and flux currents. The FOC gains can be set using the Motor Characterization tool.
The Motor Characterization tool offers two options:
1) Calculate the gains using the datasheet Parameters:
The datasheet parameters should list the phase-to-phase or the phase Resistance and Inductance values. If these parameters are given as phase-to-phase values, they should be divided by 2. Pay attention to the units, as the Tool accepts mOhm and uH.
The motor Resistance (R) and Inductance (I) values should be manually entered to the respective fields. The same inductance value should be entered to Ld and Lq parameters, if the motor is an SPM type.

2) Calculate the gains by characterizing the motor:
If the datasheet values are not available, the Roborun+ Utility offers the option to characterize the motor. The motor's resistance and inductance values are estimated by supplying a variable voltage to the motor. Be aware that the rotor will move during the characterization process, so it should not be blocked or loaded.


After setting the gains manually or through Motor Characterizations, you will be prompted to select a bandwidth for the FOC controllers.
The motor drive will calculate the FOC gains based on the following formulas:

Prefer a moderate bandwidth value, as high values may cause vibrations, while low values will result in a slower current response.
After closing the tool, the FOC parameters are updated. To view the changes in the utility, click Load from Controller.

7. Configure the Amps Limit parameter
The drive regulates the motor current based on three configurations: the Amps Limits Parameter, the I²T Protection setting, and the Maximum Motor Output Power. Each of these defines a maximum allowed current, and the drive will restrict the current to the lowest of the three values.
7.1 Set the motor Amps Limit Parameter: The drive will prevent the motor current from exceeding this value by reducing the motor voltage. The amp limit value should be set equal to the peak current of the motor.

7.2 Optionally set the Amps Trigger Action and Amps Trigger Delay parameters: Since the peak current of a motor is typically only allowed for a short duration, Roboteq drives offer the option to trigger an action if the motor current exceeds a specified value for a specific amount of time. This can be configured using the Amps Trigger Action and Amps Trigger Delay parameter.

7.3 Enable the I2T protection: I2T protection is a method that measures the energy supplied to the motor in order to protect it from overheating. It works by integrating the excessive current supplied to the motor and comparing it with a threshold value. If the accumulator exceeds the I2T threshold, the drive will start limiting the current at 80% of the nominal current, allowing the motor to cool down and causing the I²T accumulator to decrease accordingly.
To enable the protection, configure the I2T Time, which is the time that the motor can handle its maximum current, and Nominal Current, which is the nominal current of the motor.

7.4 Set the Maximum Motor Output Power parameter: Similar to the Amps Limits parameter, the Maximum Motor Output Power parameter restricts current to prevent the motor's power from exceeding the configured value. Set this parameter according to the motor datasheet by calculating the product of the motor's maximum rotational speed (in rad/s) and peak torque.



8. Configure the operating mode to "Open Loop"
Even if the intention is to use Torque, Speed or Position modes, the configuration and test of Open Loop mode is a mandatory step.

9. Disable the Sensor Error Detection on the unused channel
The Sensor Error Detection feature monitors for sensor-related faults. In dual-channel drives, if one sensor is not connected, this feature will trigger a Sensor Error. Therefore, this detection must be disabled for unused channels.

10. Go to Diagnostics Tab and run Motor/Sensor Setup
The Motor/Sensor setup is the calibration process in which the drive normalizes the sine and cosine values, correlating them to the zero position for commutation. This process needs to be completed once to ensure the motor operates correctly in sinusoidal mode. During calibration, the rotor will complete one full mechanical rotation in each direction. The actual shaft movement will depend on the gear ratio.


In the chart, enable the Motor amps, Sinc and Cos and Sensor Angle variables and ensure the following:
- The Motor Amps is equal to the Reference seek power value
- Sin and Cos values form a proper sine and cosine waveform
- The sensor Angle is linear

11. Go to the Run Tab and Evaluate the Open Loop response without load
On the Chart enable the below parameters.

12. Give a motor command using the slider and verify the following:
- Run the motor in both directions. Verify that the Motor Amps value is below or equal to the “no load current” of the motor, when the given command is constant. The motor current can increase during acceleration/deceleration but at constant power, the motor amps should be low.
- Give full command in both directions. Verify that the Motor Amps in both CW and CCW direction are symmetrical. If the current is significantly different (by more than 1 A), then something in the configuration might not be correct.
- Verify that the Motor Flux Amps parameter has a small fluctuation and is stabilizes quickly to zero when the motor accelerates/decelerates.
- Verify that the FOC angle correction parameter is stable or that it stabilizes quickly by changing the motor speed
- Verify that the Internal Sensor Speed RPM is stable when supplying a constant command
- Verify that the Internal Sensor Speed RPM is symmetrical when supplying full command in both directions. Depending on the motor, an error up to 5% can be acceptable, but higher variation may indicate a tunning or sensor issue.
- Verify that the Internal Sensor Speed RPM is reported as positive by giving a positive motor command. If not, invert the pole pairs sign, to fix it (e.g., from -5 to 5).
It is crucial having the Hall (internal sensor) speed reported with the correct sign otherwise the motor can go into a runaway condition when configuring the Closed Loop modes.

If all the steps have been passed, then the Open Loop configuration is effective, and the motor is ready to be configured in any of the supported Closed Loop operating modes!
6. Troubleshooting
A troubleshooting table with some common Problems and solutions follows:


- Resolver sensors provide precise angle estimation with high accuracy.
- However, as analog sensors, they can be susceptible to noise.
- Since angle calculation directly depends on the sine and cosine signals, it is crucial that these signals are free from noise to ensure accurate results.
- If you notice significant noise on the sine/cosine signals or if the motor’s no-load current is unstable, contact technical support for assistance.
- The image on the right illustrates a case of severe sensor noise affecting the rotor’s angle calculation.
- Ensure that the sensor has the supported impedance and that the sensor's pole pairs are configured correctly.
- Make sure both the Sine and Cosine signals are present and correctly form sine and cosine waves when the motor/sensor setup is performed.

7 Configuration Example

